Page 134 - 教師天地-第219期V6.9
P. 134

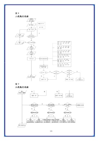
圖 8
                   二段執行流程
















































                   圖 9
                   三段執行流程






























                                                             131
   129   130   131   132   133   134   135   136   137   138   139